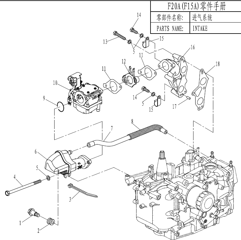
F20A Intake by SVE · Published May 3, 2021 · Updated May 7, 2023 SNParsunDescriptionEachAdd to Cart 1F20-05000012BOLT, INTAKE SILENCER 2F20-05000011DAMPER, INTAKE SILENCER 3HT4.2x200CABLE TIES 4, 2x200 4GB/T5782-M6x100BOLT M6x100 5GB/T97.1-6WASHER 60.6 6F20-05000800INTAKE SILENCER ASSY 7F20-05000031PIPE, RUBBER 8F20-05000032JACKET, PIPE 9GB/T3452.1-?35x?2O RING?35x?2 10F20-05080000CARBURETOR ASSY160.4 11F20-05000008GASKET, CARBURETOR 12F20-05000009GASKET 13GB/T5783-M6x55BOLT M6x55 14GB/T5783-M6x12BOLT M6x121.6 15T36-04000023CLAMP 16F20-05000007MANIFOLD, INTAKE 17F25-05050016PIN 18F20-05000006GASKET,INTAKE MANIFOLD