Skip to content
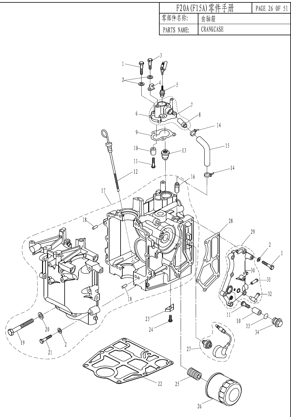
F20A Crankcase
SN Parsun Description Each Add to cart
1 GB/T5783-M6x25 BOLT M6X25 2.4
2 GB/T97.1-6 WASHER 6 0.6
3 GB/T5783-M6x14 BOLT M6x14 1.6
4 F20-05000015 PRESSING PLATE
5 T40-05000100 THERMO SWITCH ASSY
6 F20-05000700 THERMOSTAT COVER ASSY
7 F20-05000701 COVER, THERMOSTAT
8 F20-05040005 GAS NIPPLE
9 F20-05000702 GASKET,THERMOSTAT COVER
10 F4-04070003 ANODE
11 GB/T818-M5x25 SCREW M5x25 1.4
12 F20-00000100 PLUG,OIL LEVEL
13 T15-04000010 THERMOSTAT 30.5
14 HT2.5x50 CLAMP
15 F20-05000016 PIPE
16 F20-05010002 NIPPLE
17 F20-05010000 CRANKCASE ASSY
18 F15-00000006 PIN ?6x12
19 T20-06000028 BOLT M8x65
20 GB/T97.1-8 WASHER 8
21 F20-05010007 BOLT M6x40
22 F20-00000010 GASKET, CRANKCASE
23 F15-07010026 ANODE 14.8
24 GB/T820-M4x12 SCREW M4x12
25 F15-07010003 BOLT, UNION
26 F15-07010023 OIL CLEANER
27 F15-07010100 OIL PRESSURE SWITCH ASSY 37.17
28 F20-05000602 GASKET, COVER
29 F20-05000600 EXHAUST OUTER COVER ASSY
30 F20-05000601 OUTER COVER,EXHAUST
31 F4-04010102 NIPPLE
32 F15-04000005 NIPPLE, HOSE 19.8
33 GB/T3452.1-?13x?2 O RING?13x?2
34 F20-05030009 BOLT, ANODE