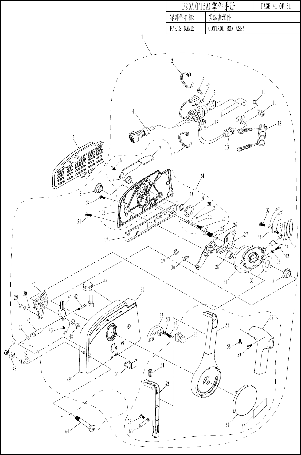
| 2 | HT2.5x60 | CLAMP | | |
| 3 | F15-13000200W | STARTING SWICH ASSY | 50 | |
| 4 | F15-13000100W | CONTROL CABLE ASSY | 38 | |
| 5 | F15-11000002W | PLATE ,CONTROL BOX | | |
| 6 | GB/T819.2-M5X12 | SCREW PAN HEAD M5x12 | | |
| 7 | F15-13020007W | THROTTLE HANDLE ,INCHING | | |
| 8 | F15-13000005W | BUSH ,CAM | | |
| 9 | F15-13020006W | BUSH ,HANDLE | | |
| 10 | F15-11000001W | BLOCK ,RUBBER | | |
| 11 | F15-13000014W | JACKET ,CABLE | | |
| 12 | F4-01090401 | STOPER ,HANG ROPE ASS'Y | 16 | |
| 13 | F15-13020400W | ENGINE STOP SWICH ASS'Y | | |
| 14 | F15-13000203W | INSULATED PLUG A | | |
| 15 | F15-13000202W | INSULATED PLUG A | | |
| 16 | F15-13020001W | COVER ,CONTROL BOX | | |
| 17 | F15-13000013W | SMALL COVER ,CONTROL BOX | | |
| 18 | F15-13020005W | WASHER IIBu ,WAVE | | |
| 19 | F15-13020100W | LOCKED DISK ASS'Y | | |
| 20 | F15-13020002W | TORSION SPRING | | |
| 21 | F15-13020003W | EACH LOCKED PULLEY | | |
| 22 | F15-13020004W | PLATE ,PULLEY SPRING | | |
| 23 | GB/T818-M4X6 | PAN HEAD SCREW M4x6 | | |
| 24 | F15-13020000W | COVER ASS'Y, CONTROL BOX | | |
| 25 | GB/T5783-M8X30 | BOLT M8×30 | | |
| 26 | GB/T97.1-8 | WASHER 8 | | |
| 27 | F15-13000500W | MACHINE.CONTROL ACCELEROGRAPH | | |
| 28 | F15-13000007W | WASHER | | |
| 29 | GB/T896-6 | PIN ,COTTER 8 | 0.6 | |
| 30 | F25-07000007W | CONTROL CABLE TIE-IN A | 10 | |
| 31 | F15-13000002W | CAM MECHANISM | | |
| 32 | GB/T818-M3X14 | PAN HEAD SCREW M3 x 14 | 0.8 | |
| 33 | F15-13000800W | INCHING SWITCH | 14.4 | |
| 34 | F15-13000003W | PLATE | | |
| 35 | F15-13000004W | PULLEY | | |
| 36 | F15-13000001W | SHIFT SPRING PLATE A | | |
| 37 | F15-12000016W | MARK 16 | | |
| 38 | GB/T6170-M6 | NUT M6 | 0.6 | |
| 39 | F15-13000008W | WEARABLE PLATE.CAM MACHANISM | | |
| 40 | F15-13000700W | SHIFT SWING LINK | | |
| 41 | F15-13000601W | ADJUSTER FASTNESS ASS'Y | | |
| 42 | GB/T5783-M5X25 | BOLT M5×25 | | |
| 43 | GB/T6170-M5 | NUT M5 | 0.03 | |
| 44 | F15-13000300W | BUZZER ASS'Y | | |
| 45 | F15-13000602W | ADJUSTER PIN | | |
| 46 | GB/T5287-6 | BIG WASHER 6 | 3.2 | |
| 47 | F15-13000006W | WEARABLE PLATE | | |
| 48 | F15-13000011W | BUSH ,SHIFT SWING LINK | | |
| 49 | F15-13000012W | BRACKET ,CONTROL BOX | | |
| 50 | F15-12000013W | MARK 13 | | |
| 51 | F15-13000015W | COVER ,WATERPROOF | | |
| 52 | F15-13010010W | BLOCK ,CONTROL HANDLE | | |
| 53 | GB/T956.1-5 | WASHER ,LOCKED 5 | | |
| 54 | GB/T819.2-M5X18 | SCREW, PAN HEAD M5 x 18 | | |
| 55 | F15-13010003W | JAM ,BUTTON | | |
| 56 | F15-13010001W | CONTROL HANDLE | | |
| 57 | F15-13010002W | CONTROL HANDLEBAR | | |
| 58 | GB/T84.5-ST4.8X12 | SCREW, PAN HEAD ST4.8x12 | | |
| 59 | GB/T818-M4X10 | SCREW, PAN HEAD M4 x 10 | | |
| 60 | F15-13010009W | COVER ,CONTROL HANDLE | | |
| 61 | F15-13010005W | SPRING ,COMPRESSION | | |
| 62 | F15-13010004W | PART , ORIENTATION CONTROL | 12 | |
| 63 | F15-13010008W | PLATE ,ORIENTATION PART | 6.4 | |
| 64 | GB/T820-M6X90 | SCREW, PAN HEAD M6 x 90 | | |