
| SN | Parsun | Description | Each | Add to Cart | |
|---|---|---|---|---|---|
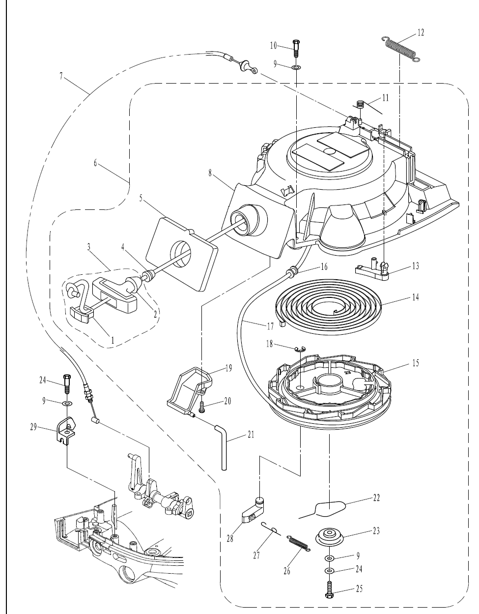
| 1 | F4-04130102 | COVER,STARTER HANDLE | |||
| 2 | F25-05160501 | STARTER HANDLE | |||
| 3 | F25-05160500 | STARTER HANDLE ASSY | |||
| 4 | F25-05160021 | DAMPER, STARTER HANDLE | |||
| 5 | F20-05070003 | SEAL | |||
| 6 | F20-05070000 | STARTER ASSY | 126 | ||
| 7 | F20-05070200 | TIGHTWIRE, DETENT | |||
| 8 | F20-05070101 | CASING, STARTER | |||
| 9 | GB/T97.1-6 | WASHER 6 | 0.6 | ||
| 10 | GB/T5783-M6x25 | BOLT M6x25 | |||
| 11 | F15-07130106 | SPRING, DETENT | |||
| 12 | F15-05000029 | SPRING,DETENT TIGHTWIRE | 5.6 | ||
| 13 | F15-07130105 | DETENT | 6.8 | ||
| 14 | F15-07130107 | SPRING, VOLUTE | 14.3 | ||
| 15 | F15-07130201 | WHELL, START-UP | |||
| 16 | F4-04130013 | MEATUS,START ROPE | 8.4 | ||
| 17 | F15-07130205 | ROPE, STARTER (?5.5x1.8m) | 10.5 | ||
| 18 | GB/T896-8 | CIRCLIP 8 | 1.2 | ||
| 19 | F20-05070001 | COVER | |||
| 20 | GB/T845-ST4.2x16 | SCREW ST4.2x16 | |||
| 21 | F20-05070002 | PIPE ?5x?10x200 | |||
| 22 | F15-07130002 | CLIP, PLATE | 6 | ||
| 23 | F20-05070004 | PLATE, DRIVE | |||
| 24 | GB/T93-6 | SPRING WASHER 6 | 0.6 | ||
| 25 | GB/T5783-M6x16 | BOLT M6x16 | 1.8 | ||
| 26 | F15-07130203 | SPRING | 2.2 | ||
| 27 | F15-07130204 | LINK ROD | 3.4 | ||
| 28 | F15-07130202 | PAWL, DRIVE | 6.8 | ||
| 29 | F20-05000030 | FIXATION PALTE | |||
| T15-04070007 | WAHSER, START WHEEL |