F40 Parts Diagrams - Links to Parts Numbers Click on the appropriate Parts Diagram

F40 Lower Casing and Drive Assembly 1

F40 Lower Casing and Drive 2

F40 Bracket 1

F40 Valve Train

Top Cowling

Tiller Arm Steering

Rope Starter

Oil Pump

Oil Pan Assembly

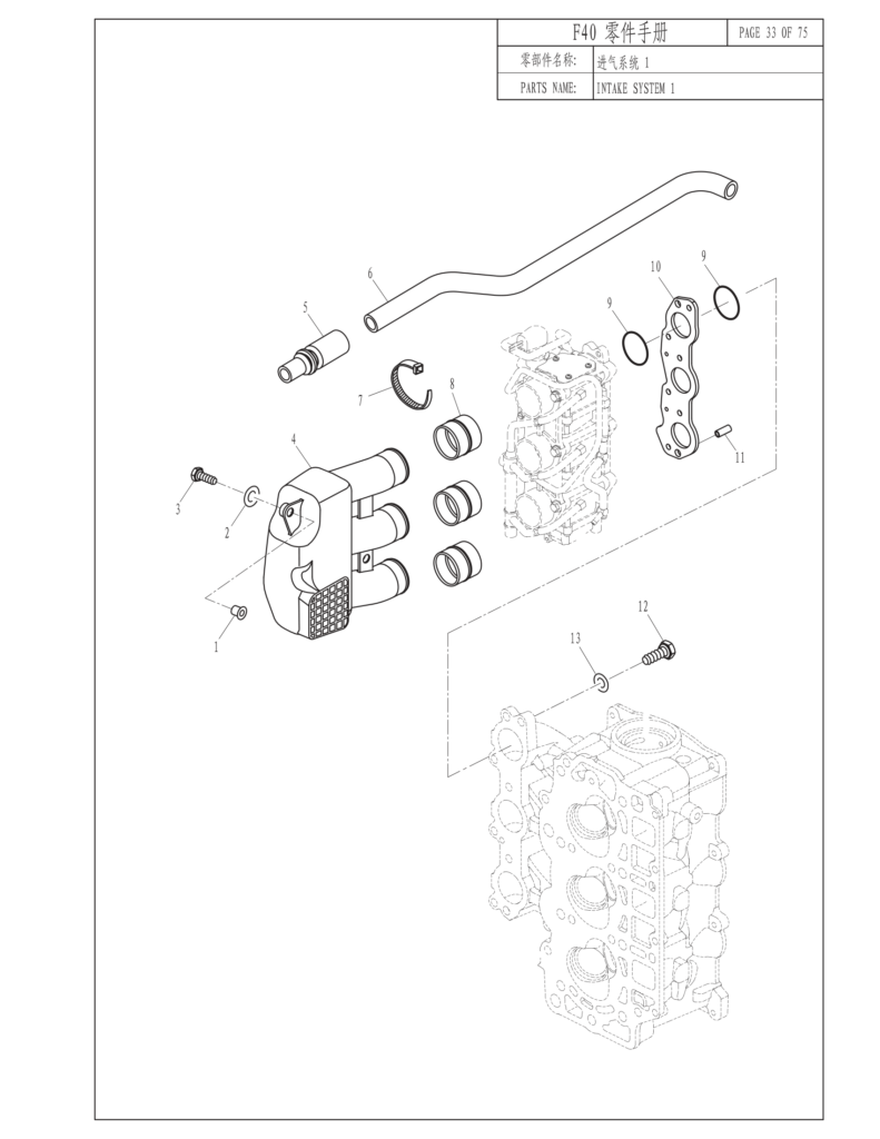
F40 Intake System 1

f40-intake-system-2

F40 Electrical 1

F40 Bracket 3

F40 Bracket 2

F40 Electric Fuel Pump Assembly

F40 Bottom Cowling

F40 Cylinder

F40 Cylinder Head Assembly

F40 Crankshaft and Piston

F40 Crankcase

F40 Control System 2

Control System 1

Power Tilt And Trim

F40 Remote Controls Box Assembly