F20A Parts Diagrams Select the Appropriate Diagram to identify and order parts

Crankshaft and piston

Cylinder Head

Electrical 1

Electrical 2

F20A Bracket 2

Camshaft

Carburetor Parts

Crankcase

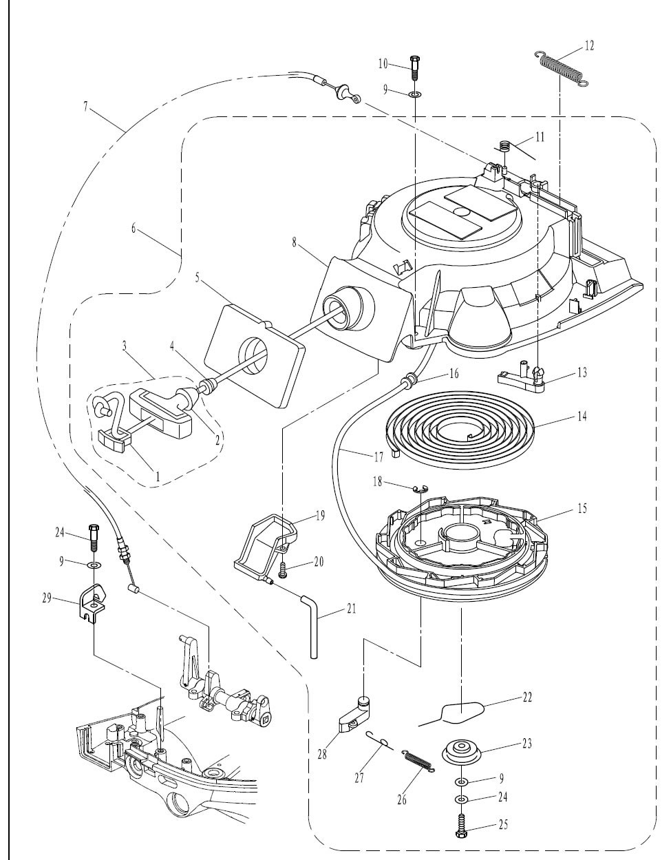
Control System

Control Box

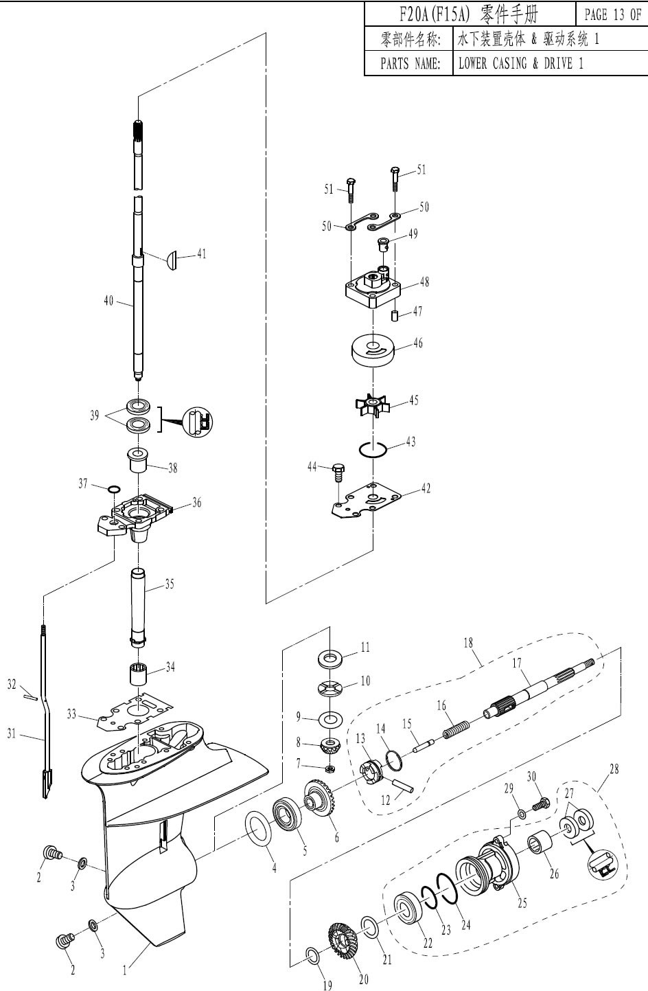
Lower Casing and Drive 1 – waterpump

Upper Casing

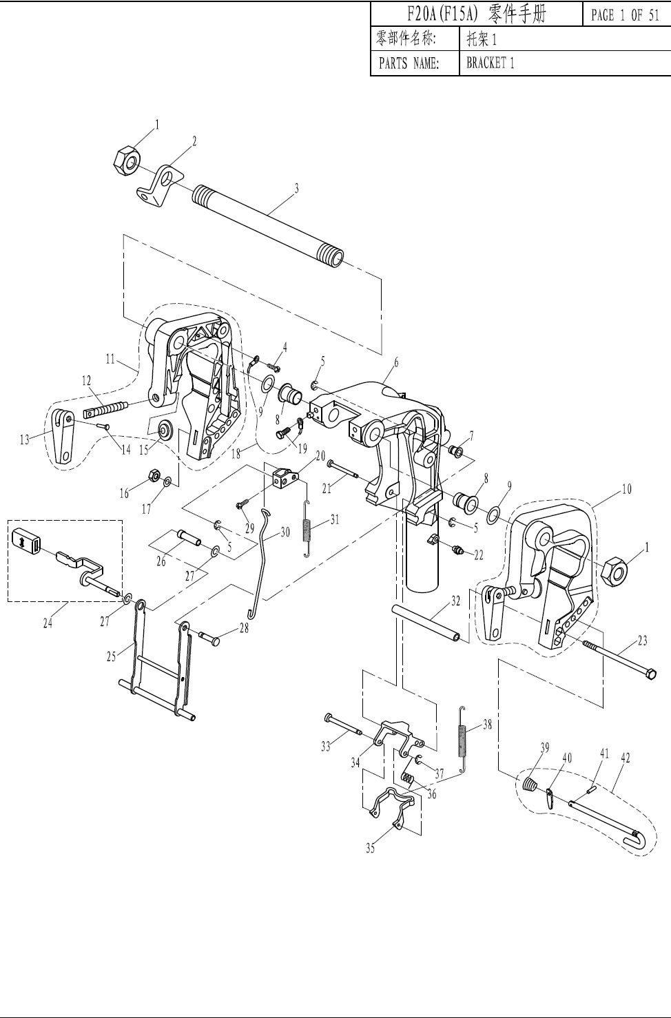
Bracket 1

Valve Train

Bottom Cowling

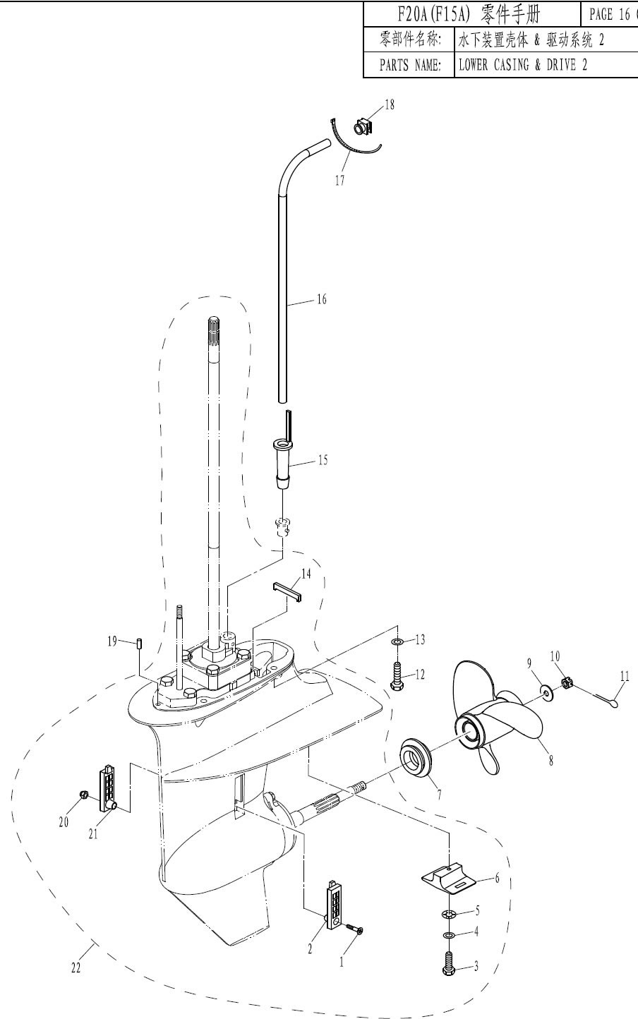
Lower Casing and Drive 2 – Propeller

Steering

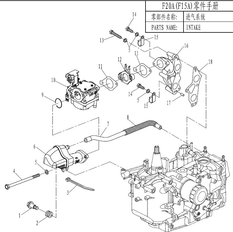
Intake

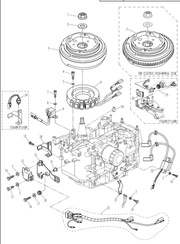
Starter

Top Cowling

Fuel System

Cylinder Head Repair